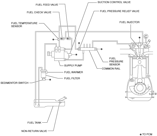
FUEL SYSTEM FLOW DIAGRAM [SKYACTIV-D 2.2]


id0114z7818400

am6zzw00010397